
納期目安:
2025.10.17 19:55頃のお届け予定です。
決済方法が、クレジット、代金引換の場合に限ります。その他の決済方法の場合はこちらをご確認ください。
※土・日・祝日の注文の場合や在庫状況によって、商品のお届けにお時間をいただく場合がございます。
MOSTLY UNDER CONSTRUCTIONの詳細情報
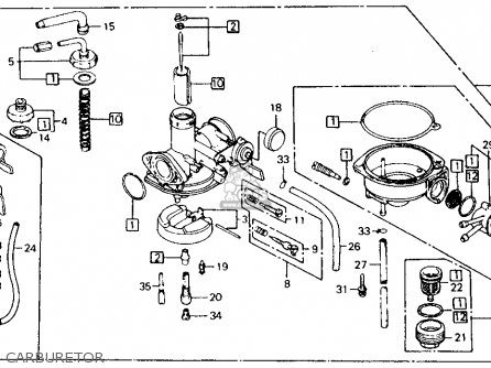
MOSTLY UNDER CONSTRUCTION。Honda CT110 TRAIL 1981 (B) USA parts lists and schematics。Honda CT110 TRAIL 1981 (B) USA parts lists and schematics。ご覧いただきありがとうございます。HONDA CT110のパーツカタログ。詳細な部品情報が含まれています。- ブランド: HONDA- モデル: CT110 A-B-C-D, CT110 G-K-M-P- 言語: 英語、フランス語- タイプ: パーツカタログメーカー...ホンダ種類...その他。Yahoo!オークション -「ct110」(カタログ、パーツリスト、整備書。新品 未使用 正規品 Carpuride 702probs 7インチ bmw専用。CIEL(シエル) T20 Plus バイク用インカム
オススメ度 4.1点
現在、3401件のレビューが投稿されています。